等截面薄壁球轴承 KG300XPO
- 如意彩主营薄壁轴承,等截面薄壁轴承,工业机器人轴承,推力滚子轴承,精密轴承等,可根据客户特殊要求定制非标薄壁轴承,多种规格截面尺寸.欢迎来电咨询
产品详细
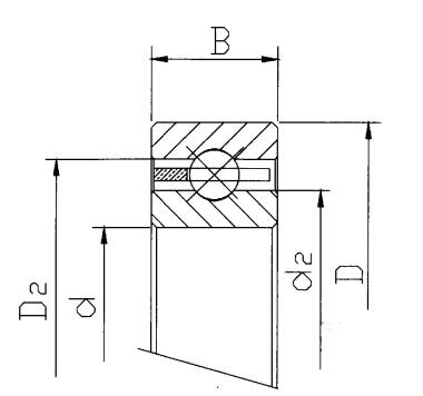
等截面薄壁球轴承由七个开式系列和五个密封系列组成,内孔直径从1英寸到40英寸,横截面的尺寸范围从0.1875X0.1875英寸到1.000X1.000英寸,三种类型:深沟球型,角接触型,四点接触型,材质有Gcr15和不锈钢两种供选择。薄壁套圈轴承可以是深沟球轴承(C)、四点接触轴承(X)、角接触球轴承(A)。在不同的系列中都提供以上各种设计。系列则取决于横截面的大小。球与系列匹配。深沟球轴承可以支持双向的轴向负载以及径向负载。四点接触轴承可以支持双向的.

| 型号 | 基本尺寸 | 球数 | 重量 | 额定负载 | 极限转速 | 对应型号 | ||||||||
| 径向 | 推力 | 倾覆 | ||||||||||||
| d | D | B | 静 | 动 | 静 | 动 | 静 | 动 | ||||||
| mm | mm | mm | Kg | Co(N) | Cr(N) | N | N | Nm | Nm | (RPM) | KAYDON | SILVERTHIN | ||
| LRAA10 | 25.4 | 34.925 | 4.763 | 21 | 0.014 | 1290 | 1330 | 2140 | 3910 | 10 | 25 | 16840 | KAA10CL0 | SAA10CL0 |
| LRAA15 | 38.1 | 47.625 | 4.763 | 29 | 0.018 | 1780 | 1560 | 2890 | 4540 | 25 | 40 | 11850 | KAA15CL0 | SAA15CL0 |
| LRA020 | 50.8 | 63.5 | 6.35 | 27 | 0.045 | 3020 | 2490 | 4800 | 7300 | 55 | 80 | 8890 | KA020XPO | SA020XPO |
| LRB020 | 50.8 | 66.675 | 7.938 | 23 | 0.073 | 4140 | 3560 | 6490 | 10320 | 80 | 120 | 8650 | KB020XPO | SB020XPO |
| LRA025 | 63.5 | 76.2 | 6.35 | 33 | 0.059 | 3690 | 2710 | 5830 | 7870 | 80 | 110 | 7270 | KA025XPO | SA025XPO |
| LRB025 | 63.5 | 79.375 | 7.938 | 28 | 0.091 | 5070 | 3830 | 7780 | 11170 | 110 | 160 | 7110 | KB025XPO | SB025XPO |
| LRA030 | 76.2 | 88.9 | 6.35 | 39 | 0.068 | 4400 | 2890 | 6810 | 8360 | 110 | 140 | 6150 | KA030XPO | SA030XPO |
| LRB030 | 76.2 | 92.075 | 7.938 | 33 | 0.109 | 5960 | 4090 | 9120 | 11920 | 150 | 200 | 6040 | KB030XPO | SB030XPO |
| LRA035 | 88.9 | 101.6 | 6.35 | 45 | 0.082 | 5070 | 3070 | 7780 | 8850 | 150 | 170 | 5330 | KA035XPO | SA035XPO |
| LRB035 | 88.9 | 104.775 | 7.938 | 38 | 0.122 | 6850 | 4310 | 10410 | 12500 | 200 | 240 | 5250 | KB035XPO | SB035XPO |
| LRA040 | 101.6 | 114.3 | 6.35 | 51 | 0.086 | 5740 | 3200 | 8810 | 9250 | 190 | 200 | 4710 | KA040XPO | SA040XPO |
| LRB040 | 101.6 | 117.475 | 7.938 | 43 | 0.136 | 7780 | 4540 | 11700 | 13120 | 260 | 290 | 4640 | KB040XPO | SB040XPO |
| LRC040 | 101.6 | 120.65 | 9.525 | 35 | 0.204 | 9340 | 5740 | 13830 | 16640 | 310 | 370 | 4570 | KC040XPO | SC040XPO |
| LRD040 | 101.6 | 127 | 12.7 | 27 | 0.354 | 13700 | 10010 | 22020 | 29000 | 500 | 660 | 4440 | KD040XPO | SD040XPO |
| LRF040 | 101.6 | 139.7 | 19.05 | 19 | 0.862 | 23840 | 17530 | 35500 | 50800 | 860 | 1230 | 4210 | KF040XPO | SF040XPO |
| LRG040 | 101.6 | 152.4 | 25.4 | 15 | 1.633 | 36520 | 29800 | 57650 | 86470 | 1460 | 2200 | 4000 | KG040XPO | SG040XPO |
| LRA042 | 107.95 | 120.65 | 6.35 | 54 | 0.091 | 6090 | 3250 | 9300 | 9390 | 210 | 210 | 4440 | KA042XPO | SA042XPO |
| LRB042 | 107.95 | 123.825 | 7.938 | 45 | 0.141 | 8140 | 4580 | 12190 | 13340 | 280 | 310 | 4380 | KB042XPO | SB042XPO |
| LRC042 | 107.95 | 127 | 9.525 | 37 | 0.213 | 9880 | 5870 | 14550 | 17040 | 340 | 400 | 4320 | KC042XPO | SC042XPO |
| LRD042 | 107.95 | 133.35 | 12.7 | 28 | 0.376 | 14190 | 10100 | 22730 | 29270 | 550 | 710 | 4210 | KD042XPO | SD042XPO |
| LRF042 | 107.95 | 146.05 | 19.05 | 20 | 0.907 | 25090 | 18100 | 37370 | 52530 | 950 | 1330 | 4000 | KF042XPO | SF042XPO |
| LRG042 | 107.95 | 158.75 | 25.4 | 15 | 1.724 | 36520 | 29800 | 57650 | 86470 | 1540 | 2310 | 3810 | KG042XPO | SG042XPO |
| LRA045 | 114.3 | 127 | 6.35 | 57 | 0.1 | 6410 | 3340 | 9790 | 9650 | 240 | 230 | 4210 | KA045XPO | SA045XPO |
| LRB045 | 114.3 | 130.175 | 7.938 | 48 | 0.15 | 8670 | 4720 | 12990 | 13700 | 320 | 330 | 4160 | KB045XPO | SB045XPO |
| LRC045 | 114.3 | 133.35 | 9.525 | 39 | 0.218 | 10410 | 6010 | 15300 | 17390 | 380 | 430 | 4100 | KC045XPO | SC045XPO |
| LRD045 | 114.3 | 139.7 | 12.7 | 30 | 0.399 | 15210 | 10450 | 24290 | 30340 | 620 | 770 | 4000 | KD045XPO | SD045XPO |
| LRF045 | 114.3 | 152.4 | 19.05 | 21 | 0.953 | 26380 | 18730 | 39230 | 54270 | 1050 | 1450 | 3810 | KF045XPO | SF045XPO |
| LRG045 | 114.3 | 165.1 | 25.4 | 16 | 1.814 | 38970 | 31140 | 61470 | 90250 | 1720 | 2520 | 3640 | KG045XPO | SG045XPO |
| LRA047 | 120.65 | 133.35 | 6.35 | 60 | 0.104 | 6760 | 3380 | 10280 | 9880 | 260 | 250 | 4000 | KA047XPO | SA047XPO |
| LRB047 | 120.65 | 136.525 | 7.938 | 50 | 0.154 | 9030 | 4760 | 13480 | 13830 | 350 | 350 | 3950 | KB047XPO | SB047XPO |
| LRC047 | 120.65 | 139.7 | 9.525 | 41 | 0.227 | 10940 | 6090 | 16060 | 17660 | 420 | 460 | 3900 | KC047XPO | SC047XPO |
| LRD047 | 120.65 | 146.05 | 12.7 | 31 | 0.426 | 15700 | 10500 | 25000 | 30430 | 670 | 810 | 3810 | KD047XPO | SD047XPO |
| LRF047 | 120.65 | 158.75 | 19.05 | 22 | 0.998 | 27620 | 19170 | 41010 | 55560 | 1150 | 1550 | 3640 | KF047XPO | SF047XPO |
| LRG047 | 120.65 | 171.45 | 25.4 | 17 | 1.86 | 41370 | 32430 | 65300 | 93990 | 1910 | 2750 | 3480 | KG047XPO | SG047XPO |
| LRA050 | 127 | 139.7 | 6.35 | 63 | 0.109 | 7070 | 3430 | 10760 | 9960 | 290 | 270 | 3810 | KA050XPO | SA050XPO |
| LRB050 | 127 | 142.875 | 7.938 | 53 | 0.172 | 9560 | 4890 | 14280 | 14190 | 390 | 380 | 3760 | KB050XPO | SB050XPO |
| LRC050 | 127 | 146.05 | 9.525 | 43 | 0.263 | 11520 | 6180 | 16810 | 17970 | 460 | 490 | 3720 | KC050XPO | SC050XPO |
| LRD050 | 127 | 152.4 | 12.7 | 33 | 0.454 | 16730 | 10810 | 26560 | 31320 | 740 | 870 | 3640 | KD050XPO | SD050XPO |
| LRF050 | 127 | 165.1 | 19.05 | 23 | 1.043 | 28870 | 19480 | 42700 | 56540 | 1250 | 1650 | 3480 | KF050XPO | SF050XPO |
| LRG050 | 127 | 177.8 | 25.4 | 18 | 1.95 | 43810 | 33670 | 69170 | 97640 | 2110 | 2980 | 3330 | KG050XPO | SG050XPO |
| LRA055 | 139.7 | 152.4 | 6.35 | 69 | 0.113 | 7780 | 3560 | 11790 | 10320 | 340 | 300 | 3480 | KA055XPO | SA055XPO |
| LRB055 | 139.7 | 155.575 | 7.938 | 58 | 0.186 | 10500 | 5030 | 15570 | 14590 | 460 | 430 | 3440 | KB055XPO | SB055XPO |
| LRC055 | 139.7 | 158.75 | 9.525 | 47 | 0.268 | 12590 | 6410 | 18280 | 18550 | 550 | 550 | 3400 | KC055XPO | SC055XPO |
| LRD055 | 139.7 | 165.1 | 12.7 | 36 | 0.481 | 18240 | 11170 | 28820 | 32340 | 880 | 990 | 3330 | KD055XPO | SD055XPO |
| LRF055 | 139.7 | 177.8 | 19.05 | 25 | 1.134 | 31360 | 20190 | 46130 | 58580 | 1470 | 1860 | 3200 | KF055XPO | SF055XPO |
| LRG055 | 139.7 | 190.5 | 25.4 | 19 | 2.132 | 46260 | 34920 | 73000 | 101200 | 2410 | 3340 | 3080 | KG055XPO | SG055XPO |
| LRA060 | 152.4 | 165.1 | 6.35 | 75 | 0.127 | 8450 | 3690 | 12770 | 10760 | 410 | 340 | 3200 | KA060XPO | SA060XPO |
| LRB060 | 152.4 | 168.275 | 7.938 | 63 | 0.2 | 11390 | 5200 | 16860 | 15030 | 540 | 480 | 3170 | KB060XPO | SB060XPO |
| LRC060 | 152.4 | 171.45 | 9.525 | 51 | 0.286 | 13660 | 6630 | 19790 | 19220 | 640 | 620 | 3140 | KC060XPO | SC060XPO |
| LRD060 | 152.4 | 177.8 | 12.7 | 39 | 0.526 | 19790 | 11480 | 31090 | 33360 | 1030 | 1100 | 3080 | KD060XPO | SD060XPO |
| LRF060 | 152.4 | 190.5 | 19.05 | 27 | 1.225 | 33900 | 20730 | 49510 | 60180 | 1700 | 2060 | 2960 | KF060XPO | SF060XPO |
| LRG060 | 152.4 | 203.2 | 25.4 | 21 | 2.313 | 51110 | 37320 | 80690 | 108180 | 2870 | 3850 | 2860 | KG060XPO | SG060XPO |
| LRA065 | 165.1 | 177.8 | 6.35 | 81 | 0.136 | 9120 | 3780 | 13790 | 10900 | 470 | 370 | 2960 | KA065XPO | SA065XPO |
| LRB065 | 165.1 | 180.975 | 7.938 | 68 | 0.213 | 12280 | 5340 | 18150 | 15440 | 630 | 530 | 2940 | KB065XPO | SB065XPO |
| LRC065 | 165.1 | 184.15 | 9.525 | 55 | 0.308 | 14720 | 6810 | 21310 | 19750 | 740 | 690 | 2910 | KC065XPO | SC065XPO |
| LRD065 | 165.1 | 190.5 | 12.7 | 42 | 0.553 | 21310 | 11790 | 33360 | 34160 | 1190 | 1220 | 2860 | KD065XPO | SD065XPO |
| LRF065 | 165.1 | 203.2 | 19.05 | 29 | 1.315 | 36390 | 21310 | 52930 | 61830 | 1950 | 2280 | 2760 | KF065XPO | SF065XPO |
| LRG065 | 165.1 | 215.9 | 25.4 | 22 | 2.449 | 53560 | 37900 | 84120 | 109870 | 3200 | 4190 | 2670 | KG065XPO | SG065XPO |
| LRA070 | 177.8 | 190.5 | 6.35 | 87 | 0.141 | 9790 | 3870 | 14770 | 11210 | 540 | 410 | 2760 | KA070XPO | SA070XPO |
| LRB070 | 177.8 | 193.675 | 7.938 | 73 | 0.227 | 13210 | 5520 | 19480 | 16010 | 720 | 590 | 2740 | KB070XPO | SB070XPO |
| LRC070 | 177.8 | 196.85 | 9.525 | 59 | 0.331 | 15790 | 6980 | 22770 | 20240 | 850 | 760 | 2710 | KC070XPO | SC070XPO |
| LRD070 | 177.8 | 203.2 | 12.7 | 45 | 0.594 | 22820 | 12140 | 35670 | 35190 | 1360 | 1340 | 2670 | KD070XPO | SD070XPO |
| LRF070 | 177.8 | 215.9 | 19.05 | 31 | 1.451 | 38920 | 21890 | 56360 | 63520 | 2220 | 2500 | 2580 | KF070XPO | SF070XPO |
| LRG070 | 177.8 | 228.6 | 25.4 | 24 | 2.631 | 58410 | 39500 | 91280 | 114540 | 3710 | 4660 | 2500 | KG070XPO | SG070XPO |
| LRA075 | 190.5 | 203.2 | 6.35 | 93 | 0.154 | 10450 | 3960 | 15750 | 11480 | 620 | 450 | 2580 | KA075XPO | SA075XPO |
| LRB075 | 190.5 | 206.375 | 7.938 | 78 | 0.24 | 14100 | 5690 | 20770 | 16500 | 820 | 660 | 2560 | KB075XPO | SB075XPO |
| LRC075 | 190.5 | 209.55 | 9.525 | 63 | 0.354 | 16860 | 7120 | 24240 | 20640 | 970 | 820 | 2540 | KC075XPO | SC075XPO |
| LRD075 | 190.5 | 215.9 | 12.7 | 48 | 0.64 | 24330 | 12460 | 37940 | 36120 | 1540 | 1470 | 2500 | KD075XPO | SD075XPO |
| LRF075 | 190.5 | 228.6 | 19.05 | 33 | 1.542 | 41410 | 22420 | 59780 | 64990 | 2500 | 2720 | 2420 | KF075XPO | SF075XPO |
| LRG075 | 190.5 | 241.3 | 25.4 | 25 | 2.767 | 47330 | 39860 | 94610 | 115610 | 4090 | 4990 | 2350 | KG075XPO | SG075XPO |
| LRA080 | 203.2 | 215.9 | 6.35 | 99 | 0.172 | 11120 | 4050 | 16770 | 11740 | 700 | 490 | 2420 | KA080XPO | SA080XPO |
| LRB080 | 203.2 | 219.075 | 7.938 | 83 | 0.259 | 14990 | 5690 | 22060 | 16550 | 930 | 700 | 2410 | KB080XPO | SB080XPO |
| LRC080 | 203.2 | 222.25 | 9.525 | 67 | 0.381 | 17930 | 7340 | 25760 | 21220 | 1100 | 900 | 2390 | KC080XPO | SC080XPO |
| LRD080 | 203.2 | 228.6 | 12.7 | 51 | 0.694 | 25840 | 12720 | 40210 | 36880 | 1740 | 1590 | 2350 | KD080XPO | SD080XPO |
| LRF080 | 203.2 | 241.3 | 19.05 | 35 | 1.588 | 43950 | 22860 | 63160 | 66280 | 2810 | 2950 | 2290 | KF080XPO | SF080XPO |
| LRG080 | 203.2 | 254 | 25.4 | 27 | 2.948 | 65700 | 41370 | 101820 | 119920 | 4650 | 5480 | 2220 | KG080XPO | SG080XPO |
| LRA090 | 228.6 | 241.3 | 6.35 | 111 | 0.2 | 12500 | 4180 | 18730 | 12140 | 880 | 570 | 2160 | KA090XPO | SA090XPO |
| LRB090 | 228.6 | 244.475 | 7.938 | 93 | 0.299 | 16810 | 5920 | 24640 | 17170 | 1170 | 810 | 2150 | KB090XPO | SB090XPO |
| LRC090 | 228.6 | 247.65 | 9.525 | 75 | 0.426 | 20060 | 7700 | 28780 | 22330 | 1370 | 1060 | 2130 | KC090XPO | SC090XPO |
| LRD090 | 228.6 | 254 | 12.7 | 57 | 0.78 | 28910 | 13210 | 44750 | 38340 | 2160 | 1850 | 2110 | KD090XPO | SD090XPO |
| LRF090 | 228.6 | 266.7 | 19.05 | 39 | 1.769 | 48930 | 23840 | 70020 | 69170 | 3470 | 3430 | 2050 | KF090XPO | SF090XPO |
| LRG090 | 228.6 | 279.4 | 25.4 | 30 | 3.266 | 73040 | 43240 | 112410 | 125440 | 5710 | 6370 | 2000 | KG090XPO | SG090XPO |
| LRA100 | 254 | 266.7 | 6.35 | 123 | 0.227 | 13830 | 4400 | 20730 | 12720 | 1080 | 660 | 1950 | KA100XPO | SA100XPO |
| LRB100 | 254 | 269.875 | 7.938 | 103 | 0.331 | 18640 | 6230 | 27270 | 18020 | 1430 | 940 | 1940 | KB100XPO | SB100XPO |
| LRC100 | 254 | 273.05 | 9.525 | 83 | 0.481 | 22200 | 7920 | 31760 | 23000 | 1670 | 1210 | 1930 | KC100XPO | SC100XPO |
| LRD100 | 254 | 279.4 | 12.7 | 63 | 0.853 | 31940 | 13660 | 49290 | 39590 | 2630 | 2110 | 1900 | KD100XPO | SD100XPO |
| LRF100 | 254 | 292.1 | 19.05 | 43 | 1.95 | 53960 | 24690 | 76780 | 71440 | 4190 | 3900 | 1860 | KF100XPO | SF100XPO |
| LRG100 | 254 | 304.8 | 25.4 | 33 | 3.583 | 80330 | 44660 | 122860 | 129490 | 6860 | 7240 | 1820 | KG100XPO | SG100XPO |
| LRA110 | 279.4 | 292.1 | 6.35 | 135 | 0.236 | 15170 | 4580 | 22730 | 13260 | 1300 | 760 | 1780 | KA110XPO | SA110XPO |
| LRB110 | 279.4 | 295.275 | 7.938 | 113 | 0.34 | 20420 | 6510 | 29800 | 18370 | 1710 | 1060 | 1770 | KB110XPO | SB110XPO |
| LRC110 | 279.4 | 298.45 | 9.525 | 91 | 0.526 | 24330 | 8360 | 34700 | 23490 | 2010 | 1360 | 1760 | KC110XPO | SC110XPO |
| LRD110 | 279.4 | 304.8 | 12.7 | 69 | 0.934 | 35010 | 14150 | 53820 | 41010 | 3140 | 2400 | 1740 | KD110XPO | SD110XPO |
| LRF110 | 279.4 | 317.5 | 19.05 | 47 | 2.177 | 58980 | 25950 | 83580 | 73880 | 4990 | 4410 | 1700 | KF110XPO | SF110XPO |
| LRG110 | 279.4 | 330.2 | 25.4 | 36 | 3.901 | 87630 | 46080 | 133360 | 133710 | 8130 | 8150 | 1670 | KG110XPO | SG110XPO |
| LRA120 | 304.8 | 317.5 | 6.35 | 147 | 0.254 | 16550 | 4800 | 24730 | 13700 | 1540 | 850 | 1630 | KA120XPO | SA120XPO |
| LRB120 | 304.8 | 320.675 | 7.938 | 123 | 0.376 | 22240 | 6850 | 32430 | 18990 | 2030 | 1190 | 1620 | KB120XPO | SB120XPO |
| LRC120 | 304.8 | 323.85 | 9.525 | 99 | 0.567 | 26470 | 8780 | 37720 | 24330 | 2370 | 1530 | 1620 | KC120XPO | SC120XPO |
| LRD120 | 304.8 | 330.2 | 12.7 | 75 | 1.021 | 38030 | 14770 | 58450 | 42840 | 3710 | 2720 | 1600 | KD120XPO | SD120XPO |
| LRF120 | 304.8 | 342.9 | 19.05 | 51 | 2.359 | 64010 | 27160 | 90480 | 76510 | 5860 | 4950 | 1570 | KF120XPO | SE120XPO |
| LRG120 | 304.8 | 355.6 | 25.4 | 39 | 4.218 | 94930 | 47550 | 143900 | 137850 | 9500 | 9100 | 1540 | KG120XPO | SG120XPO |
| LRB140 | 355.6 | 371.475 | 7.938 | 143 | 0.476 | 25840 | 7470 | 37590 | 20110 | 2730 | 1460 | 1400 | KB140XPO | SB140XPO |
| LRC140 | 355.6 | 374.65 | 9.525 | 115 | 0.689 | 30740 | 9580 | 43680 | 25800 | 3190 | 1880 | 1390 | KC140XPO | SC140XPO |
| LRD140 | 355.6 | 381 | 12.7 | 87 | 1.238 | 44130 | 15390 | 67520 | 44620 | 4970 | 3290 | 1380 | KD140XPO | SD140XPO |
| LRF140 | 355.6 | 393.7 | 19.05 | 59 | 2.722 | 74060 | 29450 | 104130 | 80470 | 7800 | 6030 | 1360 | KF140XPO | SF140XPO |
| LRG140 | 355.6 | 406.4 | 25.4 | 45 | 4.899 | 109520 | 50180 | 164940 | 145500 | 12570 | 11090 | 1330 | KG140XPO | SG140XPO |
| LRB160 | 406.4 | 422.275 | 7.938 | 163 | 0.544 | 29450 | 8060 | 42790 | 21350 | 3540 | 1770 | 1230 | KB160XPO | SB160XPO |
| LRC160 | 406.4 | 425.45 | 9.525 | 131 | 0.785 | 35050 | 10320 | 49640 | 26910 | 4130 | 2240 | 1220 | KC160XPO | SC160XPO |
| LRD160 | 406.4 | 431.8 | 12.7 | 99 | 1.406 | 50220 | 16410 | 76640 | 46710 | 6420 | 3920 | 1210 | KD160XPO | SD160XPO |
| LRF160 | 406.4 | 444.5 | 19.05 | 67 | 3.221 | 84070 | 31600 | 117790 | 84520 | 10020 | 7190 | 1190 | KF160XPO | SF160XPO |
| LRG160 | 406.4 | 457.2 | 25.4 | 51 | 5.579 | 124150 | 52580 | 185980 | 152440 | 16060 | 13170 | 1180 | KG160XPO | SG160XPO |
| LRB180 | 457.2 | 473.075 | 7.938 | 183 | 0.612 | 33090 | 8610 | 47950 | 22460 | 4460 | 2090 | 1090 | KB180XPO | SB180XPO |
| LRC180 | 457.2 | 476.25 | 9.525 | 147 | 0.88 | 39320 | 11020 | 55650 | 28420 | 5190 | 2650 | 1090 | KC180XPO | SC180XPO |
| LRD180 | 457.2 | 482.6 | 12.7 | 111 | 1.579 | 56270 | 17490 | 85670 | 48350 | 8050 | 4540 | 1080 | KD180XPO | SD180XPO |
| LRF180 | 457.2 | 495.3 | 19.05 | 75 | 3.583 | 94120 | 33620 | 131490 | 88880 | 12520 | 8460 | 1070 | KF180XPO | SF180XPO |
| LRG180 | 457.2 | 508 | 25.4 | 57 | 6.214 | 138740 | 55010 | 207020 | 158620 | 19980 | 15310 | 1050 | KG180XPO | SG180XPO |
| LRB200 | 508 | 523.875 | 7.938 | 203 | 0.68 | 36700 | 9130 | 53110 | 23400 | 5480 | 2410 | 980 | KB200XPO | SB200XPO |
| LRC200 | 508 | 527.05 | 9.525 | 163 | 0.98 | 43590 | 11680 | 61610 | 29670 | 6380 | 3070 | 980 | KC200XPO | SC200XPO |
| LRD200 | 508 | 533.4 | 12.7 | 123 | 1.746 | 62360 | 18520 | 94840 | 50620 | 9870 | 5270 | 980 | KD200XPO | SD200XPO |
| LRF200 | 508 | 546.1 | 19.05 | 83 | 4.037 | 104180 | 35520 | 145100 | 91500 | 15300 | 9650 | 960 | KF200XPO | SF200XPO |
| LRG200 | 508 | 558.8 | 25.4 | 63 | 7.167 | 153330 | 58020 | 227930 | 163610 | 24320 | 17460 | 950 | KG200XPO | SG200XPO |
| LRC250 | 635 | 654.05 | 9.525 | 203 | 1.22 | 54270 | 13180 | 76510 | 32470 | 9860 | 4190 | 790 | KC250XPO | SC250XPO |
| LRD250 | 635 | 660.4 | 12.7 | 153 | 2.173 | 77580 | 20860 | 117480 | 54540 | 15220 | 7060 | 780 | KD250XPO | SD250XPO |
| LRF250 | 635 | 673.1 | 19.05 | 103 | 4.944 | 129270 | 39870 | 179130 | 97460 | 23430 | 12750 | 780 | KF250XPO | SF250XPO |
| LRG250 | 635 | 685.8 | 25.4 | 78 | 8.845 | 189850 | 64900 | 280730 | 178370 | 37080 | 23560 | 770 | KG250XPO | SG250XPO |
| LRC300 | 762 | 781.05 | 9.525 | 243 | 1.456 | 64990 | 14500 | 91460 | 35590 | 14110 | 5490 | 660 | KC300XPO | SC300XPO |
| LRD300 | 762 | 787.4 | 12.7 | 183 | 2.599 | 92790 | 22920 | 140300 | 59780 | 21740 | 9270 | 660 | KD300XPO | SD300XPO |
| LRF300 | 762 | 800.1 | 19.05 | 123 | 5.897 | 154350 | 43720 | 213340 | 105070 | 33330 | 16410 | 650 | KF300XPO | SF300XPO |
| LRG300 | 762 | 812.8 | 25.4 | 93 | 10.569 | 226370 | 71010 | 333350 | 189090 | 52500 | 29780 | 650 | KG300XPO | SG300XPO |
| LRF350 | 889 | 927.1 | 19.05 | 143 | 6.849 | 179490 | 47160 | 247370 | 111070 | 44930 | 20170 | 560 | KF350XPO | SF350XPO |
| LRG350 | 889 | 939.8 | 25.4 | 108 | 12.292 | 262890 | 76490 | 385570 | 196260 | 70510 | 35890 | 560 | KG350XPO | SG350XPO |
| LRF400 | 1016 | 1054.1 | 19.05 | 163 | 7.802 | 204570 | 50270 | 281570 | 118010 | 58290 | 24430 | 490 | KF400XPO | SF400XPO |
| LRG400 | 1016 | 1066.8 | 25.4 | 123 | 13.971 | 299410 | 81430 | 438550 | 209420 | 91340 | 43620 | 490 | KG400XPO | SG400XPO |
- 下一篇:机器人关节轴承KAA15CLO
Tag标签:


豫公网安备 41030502000357号